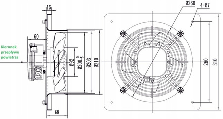
Průmyslový odsávací ventilátor YWF-2E-200B-95/25B 200mm - Gravitační clona GS300
APLIKACE
Axiální ventilátory řady YWF jsou určeny k montáži na stěnu, k větrání komerčních prostor, jako jsou obchody, bary, sanitární prostory, kanceláře, ale i průmyslové prostory. m.na adrese. výrobní haly, sklady a dílny.
KONSTRUKCE
- Kryt z práškově lakovaného ocelového plechu.
- Ventilátory YWF o průměrech 200, 250, 300, 350, 400, 450, 500, 550, 630 mají jednofázové motory - další velikosti jsou k dispozici na jiných aukcích.
- Ventilátory YWF o průměru 710, 800 mají třífázové motory - další velikosti jsou k dispozici na jiných aukcích.
- Jednotky jsou vybaveny tepelným vypínačem a kondenzátorem.
- Ochranná síť je vyrobena z drátu.
+ GS300 GRAVITAČNÍ ZAŘÍZENÍ 300 mm x 300 mm
APLIKACE
Žaluzie lze použít v odtahových ventilačních, topných a klimatizačních systémech v průmyslu, komerčních prostorách a domácnostech.
KONSTRUKCE
Rám mřížky je vyroben z vysoce kvalitního kovu s polymerovou povrchovou úpravou. Žaluzie jsou vyrobeny z PVC. Díky polymerovému povlaku jsou žaluzie odolné vůči povětrnostním vlivům.
























